詳細說明
ZJHPG氣動高溫調節閥,由多彈簧氣動薄膜執行機構(或活塞式氣動執行器)和低流阻調節閥閥體組成,多彈簧執行機構高度低、重量輕、裝備簡便。氣動薄膜高溫調節閥閥體流道呈S流線型,具有結構緊湊、重量輕、動作靈敏、壓降損失小、閥容量大、流量特性精確、維護方便等優點,氣動高溫調節閥調節機構采用平衡式閥塞結構,具有閥穩定性好,不易震動,噪音低,對溫度敏感性小。氣動薄膜高溫調節閥特別適用于泄露量要求不高、溫度較高的場合。
一、ZJHPG氣動高溫調節閥閥門概述
氣動高溫調節閥是由氣動薄膜執行機構和鑄鋼高溫調節閥閥體組成,其中,高溫調節閥閥體可以是高溫單座調節閥閥體、高溫套筒調節閥閥體、籠式高溫調節閥閥體和高溫三通調節閥閥體,氣動高溫調節閥一般使用在高溫水蒸氣和高溫導熱油品中,氣動單座調節閥配置HEP定位器或YT-1000L 定位器,可以根據用戶需求,配進口定位器如西門子定位器、山武定位器等。閥門定位器輸入信號為4-20mA,可以選配輸出信號4-20mA。
氣動高溫調節閥廣泛應用于精確控高溫蒸汽、高溫導熱油品等介質的工藝參數如壓力、流量、溫度、液位等參數保持在給定值。
二、 ZJHPG氣動高溫調節閥技術參數
公稱通徑(DN) | 20 | 25 | 32 | 40 | 50 | 65 | 80 | 100 | 125 | 150 | 200 | 250 | 300 | |
閥座直徑(dn) | 20 | 25 | 32 | 40 | 50 | 65 | 80 | 100 | 125 | 150 | 200 | 250 | 300 | |
額定流量系數(KV) | 單座 | 6.9 | 11 | 17.6 | 27.5 | 44 | 69 | 110 | 176 | 275 | 440 | 630 | 875 | 1250 |
套筒 | 6.3 | 10 | 16 | 25 | 40 | 63 | 100 | 155 | 250 | 370 | 580 | 900 | 1300 | |
允許壓差(MPa) | 單座 | 3.8 | 3.2 | 3.0 | 2.0 | 1.8 | 1.5 | 1.4 | 1.0 | 0,7 | 0.6 | 0.5 | 0.3 | 0.1 |
套筒 | 6.4 | 6.4 | 5.2 | 5.2 | 4.6 | 4.6 | 3.7 | 3.7 | 3.5 | 3.1 | 3.1 | 2.6 | 2.2 | |
公稱壓力(MPa) | 1.6、2.5、4.0、6.4、10.0 | |||||||||||||
額定行程(mm) | 16 | 25 | 40 | 60 | 100 | |||||||||
執行器型號 | ZHA/B-22 | ZHA/B-23 | ZHA/B-34 | ZHA/B-45 | ZHA/B-56 | |||||||||
流量特性 | 等百分比、直線型 | |||||||||||||
壓蓋形式 | 螺栓壓緊式 | |||||||||||||
密封填料 | V型聚四氟乙烯填料、V型柔性石墨填料 | |||||||||||||
閥芯形式 | 單座式、套筒式 | |||||||||||||
閥蓋形式 | 高溫型(+250~+450℃) | |||||||||||||
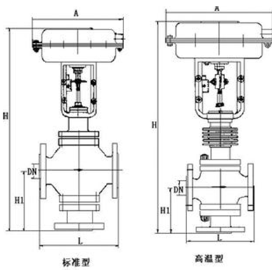
三、 ZJHPG氣動高溫調節閥不同類型的結構圖對比
四、ZJHPG氣動高溫調節閥氣動薄膜執行機構配定位器
氣動薄膜執行機構 配YT-1000L定位器 |
五、ZJHPG氣動高溫調節閥 氣動薄膜執行機構技術參數
配置執行器類別 | ZHA/B多彈簧簿膜執行機構 | ||||
執行器型號 | ZHA/B-22 | ZHA/B-23 | ZHA/B-34 | ZHA/B-45 | ZHA/B-56 |
有效面積(cm2) | 350 | 350 | 560 | 900 | 1400 |
行程(mm) | 10、16 | 24 | 40 | 40、60 | 100 |
彈簧范圍(KPa) | 20~100(標準)、20-60、60-100、40-200、80-240 | ||||
膜片材料 | 丁腈橡膠夾尼龍布、乙丙橡膠夾尼龍布 | ||||
供氣壓力 | 140~400KPa | ||||
氣源接口 | RC1/4" | ||||
環境溫度 | -30~+70℃ | ||||
可配附件 | 定位器、空氣過濾減壓器、保位閥、行程開關、閥位傳送器、手輪機構等 | ||||
作用形式 | 氣關式(B)—失氣時閥位開(FO);氣開式(K)—失氣時閥位關(FC) | ||||
六、ZJHPG氣動高溫調節閥 安裝尺寸
公稱通徑 DN(mm) | 20 | 25 | 32 | 40 | 50 | 65 | 80 | 100 | 125 | 150 | 200 | 250 | 300 | |
L | PN16/25 | 181 | 184 | 200 | 222 | 254 | 276 | 298 | 352 | 410 | 451 | 550 | 640 | 880 |
PN40 | 194 | 197 | 200 | 235 | 267 | 292 | 317 | 368 | 425 | 473 | 640 | 760 | 910 | |
PN64 | 206 | 200 | 210 | 251 | 286 | 311 | 337 | 394 | 440 | 508 | 670 | 810 | 950 | |
H | PN16/25 | 52.5 | 57.5 | 75 | 75 | 85.5 | 92.5 | 100 | 110 | 142.5 | 158 | 170 | 195 | 230 |
PN40 | 52.5 | 57.5 | 75 | 75 | 82.5 | 92.5 | 100 | 117.5 | 150 | 167.5 | 187.5 | 205 | 245 | |
PN64 | 65 | 40 | 85 | 85 | 90 | 102.5 | 107.5 | 125 | 172.5 | 195 | 207.5 | 230 | 260 | |
H1 | 370 | 396 | 428 | 428 | 436 | 415 | 464 | 507 | 690 | 840 | 632 | 725 | 882 | |
H2 | 298 | 298 | 298 | 298 | 298 | 380 | 380 | 380 | 510 | 510 | 510 | 650 | 650 | |
H3 | 180 | 180 | 180 | 180 | 180 | 236 | 236 | 236 | 310 | 310 | 310 | 380 | 380 | |
L1 | 280 | 280 | 280 | 280 | 280 | 350 | 350 | 350 | 475 | 475 | 475 | 560 | 560 | |
A | 282 | 282 | 282 | 282 | 282 | 360 | 360 | 360 | 470 | 470 | 470 | 580 | 580 | |
C | 220 | 220 | 220 | 220 | 220 | 270 | 270 | 270 | 320 | 320 | 320 | 400 | 400 | |
八、ZJHPG氣動高溫調節閥 訂貨須知
1.公稱通徑
2.公稱壓力
3.連接方式
4.執行機構
5.作用方式
6.工藝介質及狀態
7.閥前壓力、閥后壓力
8.大、正常、小流量
9.使用溫度
10.附件(電氣閥門定位器、過濾減壓器、電磁閥、保位閥、閥位開關、手輪)



相關新聞
相關產品
氣動開關切斷球閥
自力式壓力調節閥ZZY系列
電動精小型球閥
電動套筒大口徑不銹鋼調節閥
籠式單座調節閥
氣動陶瓷球閥